Collecteur synthétique | K9000TP
K9000TP
Caractéristiques principales
- Excellents caractéristiques d'isolation thermique
- Installable dans n'importe quelle position
- Entièrement modulaire
- Pas de corrosion
- Pré-assemblé
- Débitmètres intégrés (1-4l/min) avec bague de blocage
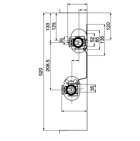
Le collecteur synthétique K9000TP de Comap est conçu spécialement pour les systèmes de plancher chauffant et rafraîchissant. Avec ses modules en polyamide renforcé à la fibre de verre, il assure une résistance et une isolation thermique de haute qualité. Ce collecteur est disponible de 2 à 10 circuits pour répondre aux besoins variés des projets de construction résidentiels et commerciaux.
1. Modularité: Le système d'assemblage breveté du K9000TP permet d'ajouter facilement des sections supplémentaires, offrant une adaptabilité optimale pour différentes configurations de chantier.
2. Facilité d'installation: Grâce à sa conception, ce collecteur peut être installé dans n'importe quelle position, idéal pour les installations où les tuyaux proviennent de diverses directions.
3. Performance durable: Fabriqué à partir de matériaux résistants, le collecteur garantit une excellente isolation thermique et une résistance accrue à la corrosion, assurant une longue durée de vie.
4. Gestion précise: Équipé de débitmètres intégrés et de purgeurs d'air automatiques, le K9000TP offre un contrôle précis du débit pour chaque circuit, optimisant ainsi le confort thermique.
Le collecteur synthétique K9000TP allie flexibilité et performance grâce à sa robustesse et sa modularité. Sa conformité aux normes EN 1264 et DIN 4725 renforce sa fiabilité pour des applications variées allant de la maison individuelle aux bâtiments tertiaires. Pour un investissement sûr et efficace, envisagez de demander un devis pour ce produit polyvalent.
1. Modularité: Le système d'assemblage breveté du K9000TP permet d'ajouter facilement des sections supplémentaires, offrant une adaptabilité optimale pour différentes configurations de chantier.
2. Facilité d'installation: Grâce à sa conception, ce collecteur peut être installé dans n'importe quelle position, idéal pour les installations où les tuyaux proviennent de diverses directions.
3. Performance durable: Fabriqué à partir de matériaux résistants, le collecteur garantit une excellente isolation thermique et une résistance accrue à la corrosion, assurant une longue durée de vie.
4. Gestion précise: Équipé de débitmètres intégrés et de purgeurs d'air automatiques, le K9000TP offre un contrôle précis du débit pour chaque circuit, optimisant ainsi le confort thermique.
Le collecteur synthétique K9000TP allie flexibilité et performance grâce à sa robustesse et sa modularité. Sa conformité aux normes EN 1264 et DIN 4725 renforce sa fiabilité pour des applications variées allant de la maison individuelle aux bâtiments tertiaires. Pour un investissement sûr et efficace, envisagez de demander un devis pour ce produit polyvalent.
Fiche technique K9000TP
Autres classements, Certificats, Labels, Marques
- Autres : - EN 1264 <br> - DIN 4725 <br>
Conditions d'utilisations
- Température d'utilisation : - Température nominale de fonctionnement 50 °C <br> - Température maximale 65 °C <br>
- Pression : 6 bars - à 65 °C
Autres caractéristiques techniques du produit
- Caractéristiques techniques : - Connexion aux robinets tournants sphériques : F1'' <br> - Connexion circuits : M 3/4E <br> - Disponible de 2 à 10 circuits <br>
Famille d'ouvrage
Bureau-Administration
Commerce
Culture-Sport-Loisirs
Enseignement
Hôtel-Restauration
Logement collectif
Maison individuelle
Santé
Avis sur le produit K9000TP
Aucun avis n’a encore été déposé. Soyez le premier à donner votre avis.